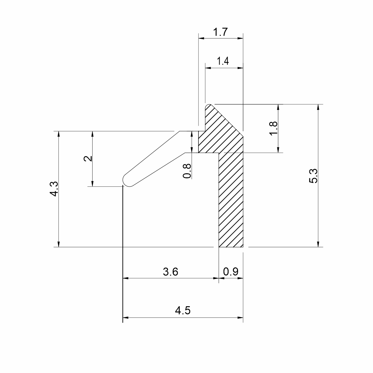
Informacije o proizvodu
PVC ispuna za aluminijumske frontove
Koristi se za sledeće modele:
RAM 1007 INT, RAM 1002 A/S, RAM 1002 N/N
Materijal: koekstrudirani PVC
Završna obrada: Transparentna
* Cena se odnosi na dužni metar profila.







































































