Informacije o proizvodu
RAM 1002A/N profil - crna mat
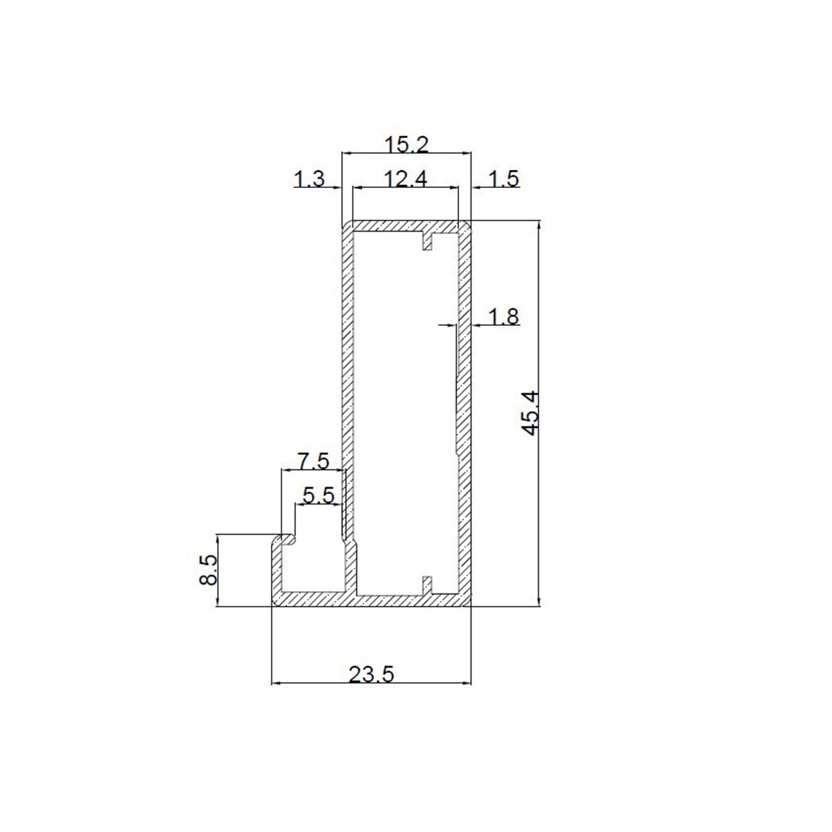
Profil se koristi za izradu aluminijumskih frontova sa staklenim ispunama debljine 4mm.
Kod izrade Al rama, dimenzija stakla umanjuje se za 7mm od ukupne dimenzije rama.
Materijal: Eloksirani aluminijum
Obrada: crna mat eloksaža
* Cena se odnosi na dužni metar profila
Ukoliko montirate šarke naša preporuka je da koristite šraf 3,5x13 ili pop nitne.







































































